彩乐园

所有产品
  • LAS1-A22Y-11TSB(短体)
  • LAS1-A22Y-11TSB(短体)

LAS1-A22Y-11TSB(短体)

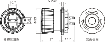
• 安装直径: φ22mm

• 头部形状:急停开关B型

• 触点结构:1NO1NC/1NC/2NC

• 认证:CCC、CE、UL

 

如果您有定制需求,请联系ONPOW!

重要参数

1.开关额定值:Ui:250V,Ith:5A

2.机械寿命:≥200,000 次循环
3.电气寿命:≥50,000 次循环
4.接触电阻:≤50mΩ
5.绝缘电阻:≥100MΩ(500VDC)
6.最高耐压:1,500V,交流50Hz,1分钟
7.工作温度:- 25℃~55℃(无冰冻)
8.操作压力:约16N
9.操作行程:约3毫米
10.前面板防护等级:IP40/IP65
11.尾部配置:接线插片(2.8x0.5mm)

LAS1-A22-11TSB.png       

材料:
1.触点材质:银合金
2.头部:PBT
3.壳体:PA
4.底座:PA